Zum Hauptinhalt springen Zur Suche springen Zur Hauptnavigation springen
0209 589 031 00 info@teilexpert.de
Bequem nach Hause liefern lassen! Bequem in die Filiale mit der Tagestour liefern lassen! Bequem den Lagerbestand unserer Partner prüfen und direkt abholen!
Fahrzeug wählen
Leider konnten wir kein passendes Fahrzeug mit der HSN/TSN finden

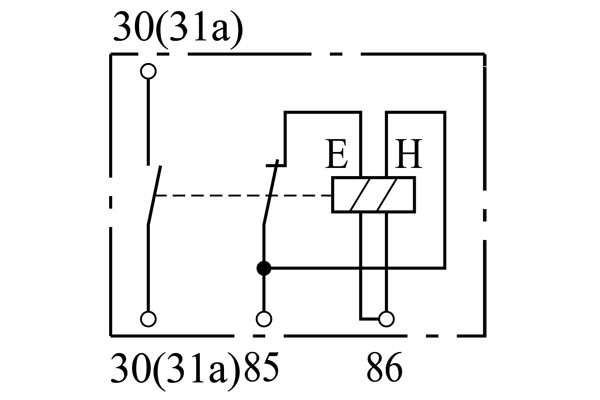
BOSCH 0 333 301 010 Batterierelais

Loading…
Loading the web debug toolbar…
Attempt #